効果音

効果音発生用にエレキットのボイスメモと言うものを使用していますが
下の写真は色々な音を書き込むためのアダプターです。
SW式

 モーター二つを使用しているので並列と直列で切り替えて
使用している一番簡単な方法です。
30A30Vの日本開閉器製のSWです。

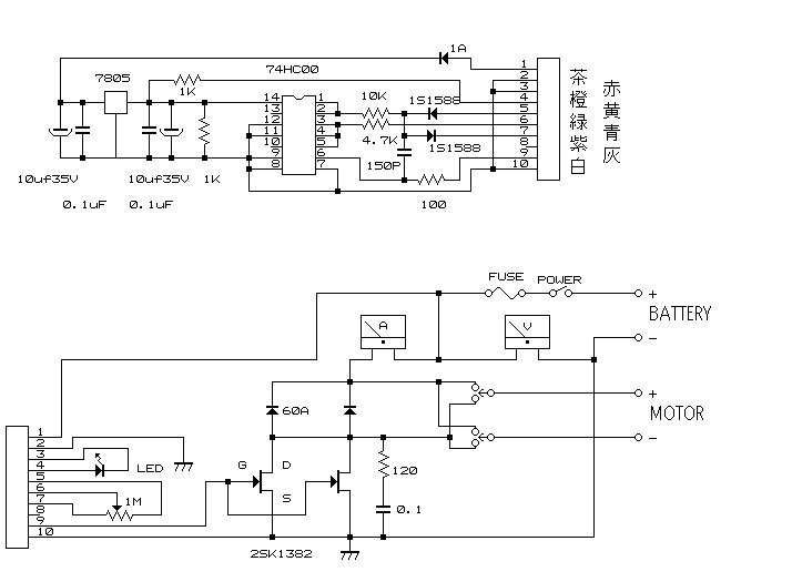
下の配線図は、FETを使用したパルス制御方式です。

モーターの制御